Matlab®-Code überwachen/debuggen
Während das Projekt auf der Steuerung ausgeführt wird und Sie mit der Steuerung verbunden und dort angemeldet sind, lassen sich die Matlab® Viewer in den Debug-Modus schalten.Ähnlich wie bei grafischem IEC 61131-3-Code sind folgende Operationen möglich:
- Auswählen einer Programminstanz zur Überwachung der Codeausführung im Debug-Modus.
Wie für IEC 61131-3-Code-Arbeitsblätter können Sie eine Matlab®-Instanz öffnen, indem Sie in der ANLAGE auf den jeweiligen Instanzknoten doppelklicken oder aus dem Kontextmenü im Matlab® Viewer den Befehl 'Gehe zu Instanzeditor' ausführen. - Während ein Simulink®-Arbeitsblatt Online-Werte anzeigt, können Sie weitere Tooltips mit Online-Werten einblenden, indem Sie den Mauszeiger auf ein Objekt mit einem Testpunkt setzen (diese sind verfügbar für versteckte/interne Ports auf Eingängen oder Ausgängen von Blöcken).
- In Online Stateflow Charts werden aktive States mit einem blauen Rahmen angezeigt.
Die Online-Werte erscheinen rechts in der Symbolansicht. - In Online Truth Tables werden die Online-Werte rechts in der Symbolansicht angezeigt.
- Forcen und Überschreiben von IN- und OUT-Ports.Im Simulink® Viewer können Ports direkt am Portsymbol geforct/überschrieben werden.
In Stateflow Charts und Truth Tables erfolgt das Forcen und Überschreiben über die Symbolansicht auf der rechten Seite.
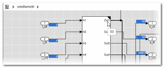
Beispiel: Überschreiben eines Matlab®-Ports im Simulink® Viewer
- Einfügen von IN- und OUT-Ports in das WATCH-Fenster oder die LOGIKANALYSE (per Drag & Drop) zu Überwachungszwecken.Im Stateflow Chart Viewer und in Truth Tables werden die Online-Werte rechts aus der Symbolansicht in die Bereiche gezogen. Sie können Variablen auch über das Kontextmenü einfügen.
Beispiel: Einfügen eines Matlab®-Ports aus dem Simulink® Viewer in das WATCH-Fenster
Beispiel: Einfügen eines Matlab®-Ports aus dem Simulink® Viewer in die LOGIKANALYSE
Weitere Informationen hierzu Kapitel Sie im Kapitel "Inbetriebnahme der Steuerung: Von Kompilieren bis Debuggen".




