Details zum Anwendungsbeispiel
In diesem Kapitel wird eine prinzipiell mögliche Anwendung beschrieben, wie der Funktionsbaustein zur Realisierung einer Zweihandschaltung Typ III eingesetzt werden kann.
Der Einsatz des Funktionsbausteins in einer konkreten Anwendung darf ausschließlich nach durchgeführter Risikoanalyse erfolgen.
Auf eine Angabe von Risikokategorie/SIL/PL wird an dieser Stelle verzichtet, weil sich die Einstufung immer in Abhängigkeit von der Anwendung ergibt, in der der Funktionsbaustein eingesetzt wird.
| Hinweis
Der Einsatz des Funktionsbausteins alleine reicht nicht aus, um die Sicherheitsfunktion entsprechend der aus der Risikoanalyse ermittelten Kat./SIL/PL auszuführen. In Verbindung mit dem eingesetzten sicherheitsbezogenen Ein-/Ausgangsgerät sind weitere Maßnahmen erforderlich, um die Sicherheitsfunktion zu erfüllen. Dazu gehören z. B. die entsprechende Beschaltung und Parametrierung der Ein- und Ausgänge sowie Maßnahmen zum Ausschluss nicht erkennbarer Fehler. Informationen dazu entnehmen Sie bitte der Dokumentation zum eingesetzten sicherheitsbezogenen Ein-/Ausgangsgerät. |
| Hinweis
Für die fachgerechte elektrische Beschaltung der Sicherheitssteuerung und der Erweiterungsmodule (z.B. Anschluss der beiden überwachten Taster) beachten Sie bitte die Hinweise im Anwenderhandbuch. |
Zweihandschaltung Typ III
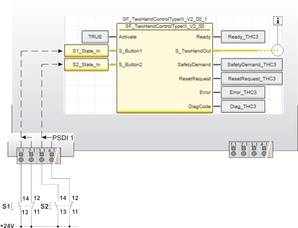
Dieses Beispiel zeigt die Verschaltung einer Zweihandschaltung vom Typ III mit dem sicherheitsbezogenen Funktionsbaustein SF_TwoHandControlTypeIII.
Die Zweihandschaltung besteht aus zwei Tastern, wobei jeder Taster jeweils einen Öffner- und einen Schließerkontakt besitzt und zweikanalig am sicherheitsbezogenen Eingangsgerät PSDI 1 angeschlossen ist.
Die Eingänge des sicherheitsbezogenen Eingangsgeräts sind dabei so parametriert, dass die Signale der beiden Taster jeweils auf Antivalenz überwacht werden.
Die resultierenden Eingangssignale werden folglich nur SAFETRUE, wenn die Signale der beiden zweikanaligen Taster innerhalb der parametrierten Zeit wie folgt wechseln: das Signal des Schließerkontakts von SAFEFALSE nach SAFETRUE und das Signal des Öffnerkontakts von SAFETRUE nach SAFEFALSE.
- Das resultierende Signal der Eingangsklemmen 1.1 und 2.1 des Tasters S1 ist mit der globalen I/O-Variablen S1_State_In verknüpft. Diese globale I/O-Variable ist wiederum an den Bausteineingang S_Button1 angeschlossen.
- Das resultierende Signal der Eingangsklemmen 3.1 und 4.1 des Tasters S2 ist mit der globalen I/O-Variablen S2_State_In verknüpft. Diese globale I/O-Variable ist wiederum an den Bausteineingang S_Button2 angeschlossen.
| Hinweis
Der Freigabeausgang S_TwoHandOut des Funktionsbausteins SF_TwoHandControlTypeIII ist über eine globale I/O-Variable oder über weitere sicherheitsbezogene Funktionen/Funktionsbausteine mit einer Ausgangsklemme der Applikation verschaltet. Verschalten Sie den Freigabeausgang S_TwoHandOut des Funktionsbausteins SF_TwoHandControlTypeIII beispielsweise mit Eingang S_OutControl des Funktionsbausteins SF_EDM und realisieren Sie auf diese Weise eine zweikanalige Ausgangsverschaltung. |
| Weitere Infos
Weitergehende Informationen finden Sie in der Beschreibung des betreffenden sicherheitsbezogenen Funktionsbausteins. |
| S1 | Taster 1 |
| S2 | Taster 2 |
![]() | Siehe Hinweis vor der Abbildung. |

