Details zum Anwendungsbeispiel
In diesem Kapitel ist eine prinzipiell mögliche Anwendung beschrieben, wie der sicherheitsbezogene Funktionsbaustein SF_MutingSeq zur Realisierung des sequenziellen Mutings mit vier Sensoren und Override-Funktion verwendet werden kann.
Der Einsatz des Funktionsbausteins in einer konkreten Anwendung darf ausschließlich nach durchgeführter Risikoanalyse erfolgen.
Auf eine Angabe von Risikokategorie/SIL/PL wird an dieser Stelle verzichtet, weil sich die Einstufung immer in Abhängigkeit von der Anwendung ergibt, in der der Funktionsbaustein eingesetzt wird.
Hinweis
Der Einsatz des Funktionsbausteins alleine reicht nicht aus, um die Sicherheitsfunktion entsprechend der aus der Risikoanalyse ermittelten Kat./SIL/PL auszuführen. In Verbindung mit dem eingesetzten sicherheitsbezogenen Ein-/Ausgangsgerät sind weitere Maßnahmen erforderlich, um die Sicherheitsfunktion zu erfüllen. Dazu gehören z. B. die entsprechende Beschaltung und Parametrierung der Ein- und Ausgänge sowie Maßnahmen zum Ausschluss nicht erkennbarer Fehler. Informationen dazu entnehmen Sie bitte der Dokumentation zum eingesetzten sicherheitsbezogenen Ein-/Ausgangsgerät. |
Hinweis
Für die fachgerechte elektrische Beschaltung der Sicherheitssteuerung und der Erweiterungsmodule (z.B. Anschluss der Muting-Sensoren und der Schutzeinrichtung) beachten Sie bitte die Hinweise im Anwenderhandbuch. |
Sequentielles Muting mit vier Sensoren, mit Override-Funktion und Anlaufsperre
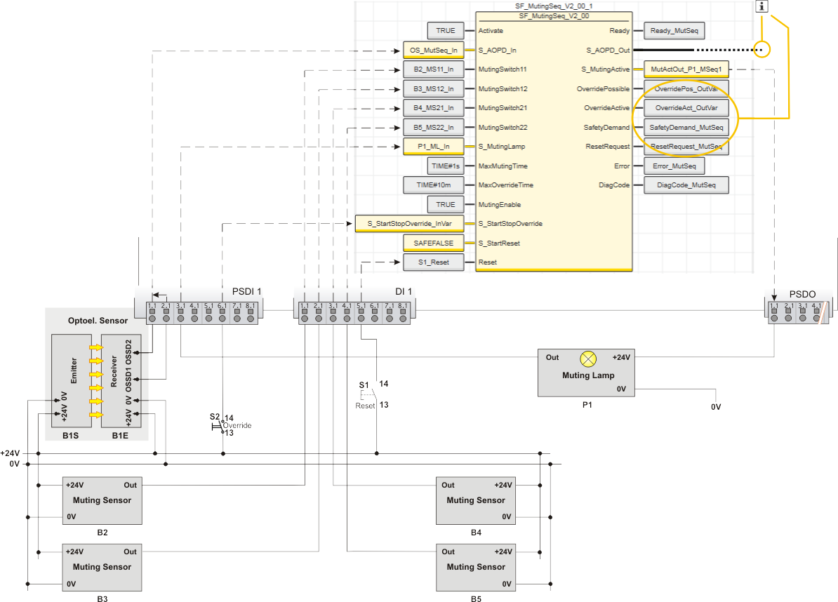
Dieses Beispiel beschreibt die Verschaltung von vier Muting-Sensoren (B2, B3, B4 und B5) mit dem sicherheitsbezogenen Funktionsbaustein SF_MutingSeq. Die Muting-Sensoren sind als jeweils zwei sequenzielle Sensorenpaare angeordnet, wobei alle Sensoren identisch ausgerichtet und auf derselben Bandseite montiert sind.
Die Materialflussrichtung des Bandes ist von links nach rechts, d.h. das Muting-Sensorenpaar MutingSwitch11/MutingSwitch12 ist vor der Schutzeinrichtung und MutingSwitch21/MutingSwitch22 sind hinter der Schutzeinrichtung angeordnet. Dies ist in der Grafik in der Bausteinübersicht illustriert.
Die Sensoren/Aktoren sind wie folgt an die I/O-Geräte bzw. an den Funktionsbaustein angeschlossen:
- Der Empfänger B1E der Schutzeinrichtung (zweikanaliges Lichtgitter) ist an die Eingangsklemmen 1.1 und 2.1 des sicherheitsbezogenen Eingangsgerätes PSDI 1 angeschlossen.Die zweikanalige Auswertung des Signals vom Lichtgitter auf Äquivalenz erfolgt im sicherheitsbezogenen Eingangsgerät, das entsprechend parametriert ist. Das daraus resultierende Signal ist mit der globalen I/O-Variablen OS_MutSeq_In verknüpft, die wiederum an Bausteineingang S_AOPD_In angeschlossen ist. Sie hat den Wert SAFETRUE, wenn beide Eingänge des sicherheitsbezogenen Eingangsgerätes PSDI 1 gleichzeitig SAFETRUE sind (Lichtgitter nicht unterbrochen) und das Eingangsgerät keinen Fehler wegen Überschreitung der Diskrepanzzeit meldet. Für weitergehende Informationen lesen Sie bitte die Beschreibungen der Eingangsparameter des sicherheitsbezogenen Eingangsgeräts.
Hinweis
Beachten Sie, dass die Querschlussüberwachung nicht vom Funktionsbaustein durchgeführt wird. Diese Überwachung müssen Sie außerhalb dieses Funktionsbausteins im sicherheitsbezogenen Steuerungssystem eigenverantwortlich realisieren. - Die beiden sequentiell angeordneten einkanaligen Muting-Sensoren, die sich vor dem Lichtgitter befinden und den Muting-Vorgang starten, sind an die Eingangsklemmen 1.1 und 2.1 des Standard-Eingangsgerätes DI 1 angeschlossen. Die mit den Klemmen 1.1 und 2.1 verknüpften globalen I/O-Variablen B2_MS11_In bzw. B3_MS12_In sind an die Bausteineingänge MutingSwitch11 bzw. MutingSwitch12 angeschlossen.
- Die beiden sequentiell angeordneten einkanaligen Muting-Sensoren, die sich hinter dem Lichtgitter befinden und den Muting-Vorgang starten, sind an die Eingangsklemmen 3.1 und 4.1 des Standard-Eingangsgerätes DI 1 angeschlossen. Die mit den Klemmen 3.1 und 4.1 verknüpften globalen I/O-Variablen B4_MS21_In bzw. B5_MS22_In sind an die Bausteineingänge MutingSwitch21 bzw. MutingSwitch22 angeschlossen.
- S_StartReset = SAFEFALSE gibt eine Anlaufsperre nach dem Start der Sicherheitssteuerung bzw. der Bausteinaktivierung vor. Die Anlaufsperre wird erst durch eine positive Signalflanke an Eingang Reset aufgehoben. Zu diesem Zweck ist an Eingang 5.1 des Standard-Eingangsgeräts DI 1 der Reset-Taster S1 angeschlossen. Die damit verknüpfte globale I/O-Variable S1_Reset ist an Eingang Reset angeschlossen.
- Die Anforderung der Override-Funktion erfolgt im Bedarfsfall durch das Steuern des Eingangs S_StartStopOverride auf SAFETRUE. Zu diesem Zweck ist an Eingang 6.1 des sicherheitsbezogenen Eingangsgeräts PSDI 1 der Override-Schlüsselschalter S2 angeschlossen und mit der I/O-Variablen S_StartStopOverride_InVar verknüpft.
- Der Ausgang S_MutingActive des Funktionsbausteins steuert die Muting-Lampe P1, zur Signalisierung des Zustands "Muting aktiv". Diese Muting-Lampe ist an Ausgangsklemme 1.1 des sicherheitsbezogenen Ausgangsgeräts PSDO angeschlossen. Die damit verknüpfte globale I/O-Variable MutActOut_P1_MSeq1 ist an Bausteinausgang S_MutingActive angeschlossen.
- An Eingang 3.1 des sicherheitsbezogenen Eingangsgerätes PSDI 1 ist das Rückmeldesignal der Muting-Lampe P1 angeschlossen. Die damit verknüpfte globale I/O-Variable P1_ML_In ist wiederum an Bausteineingang S_MutingLamp angeschlossen.
- Die Ausgangssignale OverridePossible, OverrideActive, SafetyDemand und ResetRequest des Funktionsbausteins sind mit Ausgangsvariablen verknüpft, die zu Signalisierungszwecken verwendet werden können (siehe Hinweis unten).
Durch die TRUE-Konstante an Eingang Activate ist der Funktionsbaustein dauerhaft aktiviert. Eingang MutingEnable ist ebenfalls mit der Konstante TRUE belegt (dauerhaftes Freigabesignal für den Muting-Vorgang durch MutingEnable = TRUE).
Hinweis
Der Freigabeausgang S_AOPD_Out des Funktionsbausteins SF_MutingSeq ist über eine globale I/O-Variable oder über weitere sicherheitsbezogene Funktionen/Funktionsbausteine mit einer Ausgangsklemme der Applikation verschaltet. Verschalten Sie den Freigabeausgang S_AOPD_Out des Funktionsbausteins SF_MutingSeq beispielsweise mit Eingang S_OutControl des Funktionsbausteins SF_EDM und realisieren Sie auf diese Weise eine zweikanalige Ausgangsverschaltung. |
Hinweis
Meldesignale: Die folgenden Bausteinausgänge sind mit Ausgangsvariablen verschaltet, die zu Signalisierungszwecken mit Ausgangsklemmen verknüpft werden können.
|