Details of the application example
This section describes a possible application where the function block can be used to implement a type III two-hand control device.
The function block must only be used in an actual application once a risk analysis has been conducted.
Details of the risk category/SIL/PL have not been included here, as classification is always based on the application in which the function block is used.
| Note
The use of the function block alone is not sufficient to execute the safety-related function according to the Cat./SIL/PL determined by the risk analysis. In conjunction with the safety-related I/O device used, additional measures must be taken to meet the requirements of the safety-related function. These include, for example, the appropriate wiring and parameterization of the inputs and outputs as well as measures to exclude (design out) errors that cannot be detected. For additional information, please refer to the documentation provided with the safety-related I/O device used. |
| Note
Please refer to the notes in the User Manual on proper electrical connection of the Safety PLC and the extension modules (e.g., connecting the two monitored buttons). |
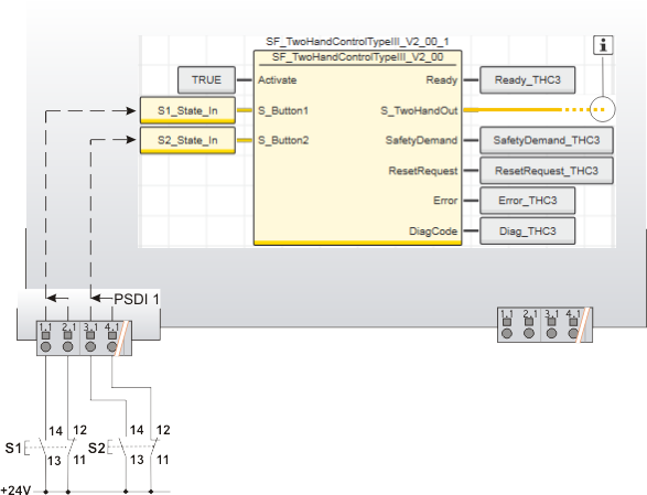
Type III two-hand control device
This example shows the connection of a type III two-hand control device with the safety-related SF_TwoHandControlTypeIII function block.
The two-hand control device consists of two buttons, each of which has both an N/C and an N/O contact and is connected to safety-related input device PSDI 1 via a two-channel arrangement.
The input channels of the safety-related input device are parameterized in such a way that the signals of both buttons are monitored for antivalence.
In view of this, the resulting input signals only become SAFETRUE if the signals of both two-channel buttons switch as follows within the parameterized time: the N/O contact signal from SAFEFALSE to SAFETRUE and the N/C contact signal from SAFETRUE to SAFEFALSE.
- The resulting signal of the input terminals 1.1 and 2.1 of button S1 is assigned to the global I/O variable S1_State_In. This global I/O variable in turn is connected to the S_Button1 input of the function block.
- The resulting signal of the input terminals 3.1 and 4.1 of button S2 is assigned to the global I/O variable S2_State_In. This global I/O variable in turn is connected to the S_Button2 input of the function block.
| Note
The S_TwoHandOut enable output of the SF_TwoHandControlTypeIII function block is connected to an output terminal of the application via a global I/O variable or via other safety-related functions/function blocks. Connect the S_TwoHandOut enable output of the SF_TwoHandControlTypeIII function block to the S_OutControl input of the SF_EDM function block, for example, thus implementing a two-channel output connection. |
| Further Info
For more detailed information, please refer to the description of the corresponding safety-related function block. |
| S1 | Button 1 |
| S2 | Button 2 |
![]() | See note above the illustration. |

