Details of the application example
This section describes a possible application where the SF_MutingPar_2Sensor function block can be used to implement parallel muting with two sensors and override function.
The function block must only be used in an actual application once a risk analysis has been conducted.
Details of the risk category/SIL/PL have not been included here, as classification is always based on the application in which the function block is used.
| Note
The use of the function block alone is not sufficient to execute the safety-related function according to the Cat./SIL/PL determined by the risk analysis. In conjunction with the safety-related I/O device used, additional measures must be taken to meet the requirements of the safety-related function. These include, for example, the appropriate wiring and parameterization of the inputs and outputs as well as measures to exclude (design out) errors that cannot be detected. For additional information, please refer to the documentation provided with the safety-related I/O device used. |
| Note
Please refer to the notes in the User Manual on proper electrical connection of the Safety PLC and the extension modules (e.g., connecting the muting sensors and the safety-related equipment). |
Parallel muting with two sensors, with override function and start-up inhibit
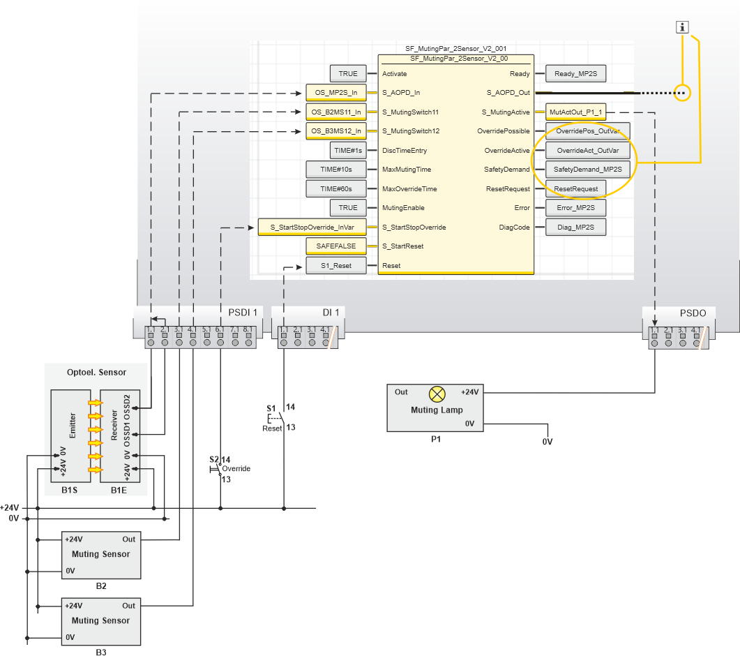
The example describes the connection of two muting sensors arranged in parallel to the safety-related SF_MutingPar_2Sensor function block.
The sensors/actuators are connected to the input/output devices and the function block as follows:
- Receiver B1E of the safety-related equipment (two-channel light grid) is connected to input terminals 1.1 and 2.1 of the safety-related input device PSDI 1.Two-channel evaluation of the signal from the light grid for equivalence occurs in the safety-related input device, which has been parameterized accordingly. The resulting signal is assigned to the global I/O variable OS_MP2S_In, which in turn is connected to the S_AOPD_In input of the function block. It is SAFETRUE if both inputs of the safety-related input device PSDI 1 are SAFETRUE at the same time (light grid not interrupted) and the input device does not report any errors as regards exceeding the discrepancy time. For more detailed information, please refer to the descriptions of the input parameters of the safety-related input device.
Note
Cross-circuit monitoring is not performed by the function block. It is your responsibility to perform this monitoring function outside of this function block in the safety-related control system. - The single-channel muting sensors arranged in parallel are connected to input terminals 3.1 and 4.1 of the safety-related input device PSDI 1. The terminal 3.1 is assigned to the global I/O variable S_B2_MS11_In, which in turn is connected to the function block input S_MutingSwitch11. The terminal 4.1 is assigned to the global I/O variable S_B3_MS12_In, which in turn is connected to the function block input S_MutingSwitch12.
- S_StartReset = SAFEFALSE specifies a start-up inhibit after the Safety PLC has been started up or the function block has been activated. The start-up inhibit is only removed if there is a positive signal edge at the Reset input. To this end, the S1 reset button is connected to input 1.1 of the standard input device DI 1. The assigned global I/O variable S1_Reset is connected to the Reset input.
- If required, the request of the override function is performed by switching the S_StartStopOverride input to SAFETRUE. To this end, the S2 override key switch is connected to input 6.1 of the safety-related input device PSDI 1 and assigned to the I/O variable S_StartStopOverride_InVar.
- The S_MutingActive output of the function block controls muting lamp P1 in order to signal the state "muting active". This muting lamp is connected to output terminal 1.1 of the safety-related output device PSDO. The assigned global I/O variable MutActOut_P1_1 is connected to the S_MutingActive function block input.
- The output signals OverridePossible, OverrideActive, SafetyDemand and ResetRequest of the function block are assigned to output variables which can be used for signaling purposes (see note below).
The function block is perpetually activated by the TRUE constant at the Activate input. A TRUE constant is also applied to the MutingEnable input (permanent enable signal for the muting operation by means of MutingEnable = TRUE).
| Note
The S_AOPD_Out enable output of the SF_MutingPar_2Sensor function block is connected to an output terminal of the application via a global I/O variable or via other safety-related functions/function blocks. Connect the S_AOPD_Out enable output of the SF_MutingPar_2Sensor function block to the S_OutControl input of the SF_EDM function block, for example, thus implementing a two-channel output connection. |
| Note
Monitoring signals: The following function block outputs are connected to output variables which can be assigned to output terminals for signaling purposes.
|

