-

SF_MutingSeq

Help version 2.0 / Issue date: 2024.04
The following description is valid for the function block SF_MutingSeq_V2_0z, Version 2.0z (where z = 0 to 9).

Short Description The safety-related SF_MutingSeq function block evaluates the signals of four muting sensors and an optoelectronic safety-related equipment (a light grid, for example) in an application for sequential muting with four sensors and switches the enable signal at the S_AOPD_Out output.

The signal at the S_AOPD_Out output is the enable signal for the entire process. A SAFEFALSE signal at the S_AOPD_Out output stops the application in the zone of operation.

This function can be used to temporarily deactivate (or "mute") safety-related equipment in the form of a light grid, for example, in order to allow an object which has been identified by the muting sensors as permissible (for the muting operation) to pass through on an assembly conveyor.

In such a case, the interruption of the light grid does not have any effect on the S_AOPD_Out output.

By contrast, if the safety-related equipment is engaged by an object which has not been identified by the muting sensors as permissible, the S_AOPD_Out output switches to SAFEFALSE.
For example, if the hand of a worker passes through an assembly conveyer interrupting a light grid, the S_AOPD_Out output would be used to signal the actions necessary to set the zone of operation to its defined safe state.

The maximum allowable time for the muting operation is monitored using the four muting sensors. Please refer to the following representation to view the arrangement of the muting sensors.

In the event of a muting error, the safety-related shutdown requested by the safety function can be temporarily deactivated by means of the integrated override function, e.g., in order to move an impermissible object which caused the muting error outside the zone of operation. The override function must be manually requested by the operating personnel as long as the object is in a safeguarded area or the override function has been automatically exited.

A start-up inhibit can be specified at S_StartReset.

Note
Depending on the result of the risk analysis, optical, mechanical or inductive sensors such as reflection light sensors, mechanical or inductive switches can be used as muting sensors. Optical sensors serve as examples in the help information.

Note
Only the material flow direction from muting sensors S_MutingSwitch11S_MutingSwitch12 to muting sensors S_MutingSwitch21S_MutingSwitch22 is described in the following (forward direction). The function block also supports the opposite material flow direction from muting sensors S_MutingSwitch22S_MutingSwitch21 to muting sensors S_MutingSwitch12S_MutingSwitch11 (backwards direction). The functional sequence remains identical.

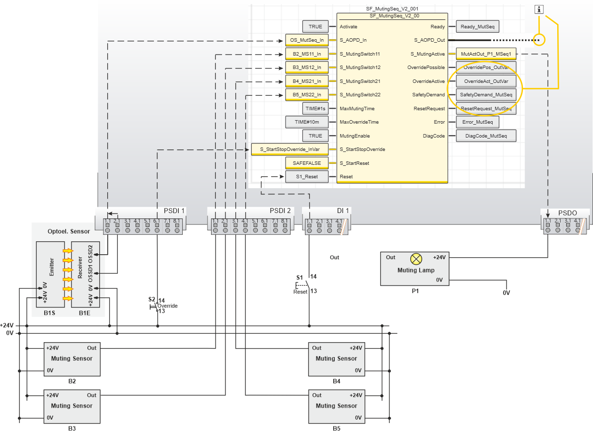
Illustration of ApplicationThe following graphic illustrates an application for the SF_MutingSeq function block.

Further Info
The entire muting operation is divided into different muting sequences. For more detailed information (including override), see the functional description.

The material flow direction in the example shown is from left to right.

MS_11, MS_12: First sequential muting sensor pair, positioned before the safety-related equipment connected to the function block inputs S_MutingSwitch11 and S_MutingSwitch12 (the "yellow light beams" symbolize the detection area).
MS_21, MS_22: Second sequential muting sensor pair, positioned behind the safety-related equipment, connected to function block inputs S_MutingSwitch21 and S_MutingSwitch22.

S, R: Transmitter and receiver of the light grid (safety-related equipment)

KS: Control device (e.g., key switch) for override

T: Goods to be transported on an assembly conveyor

!: Zone of operation
Block Icon
Inputs Activate

S_AOPD_In

S_MutingSwitch11 and S_MutingSwitch12

S_MutingSwitch21 and S_MutingSwitch22

MaxMutingTime

MaxOverrideTime

MutingEnable

S_StartStopOverride

S_StartReset

Reset
Outputs Ready

S_AOPD_Out

S_MutingActive

OverridePossible

OverrideActive

SafetyDemand

ResetRequest

Error

DiagCode
Detailed informationSignal sequence diagram

Application example

Function block instantiation

 

Additional information is available in the following sections: